- fchao-Sinus-Wechselrichter AliExpress         
RSS-Feed anzeigen

Alle Blog-Einträge zeigen

  1. VGA - Grafikkarte

    Ich hab letztens in einer Elektor dieses interessante Projekt gefunden:
    http://www.elektor.de/jahrgang/2011/....1780074.lynkx

    Und nachdem ich nun endlich jemanden gefunden habe der mir einen dsPIC30F3011 - 30 programmieren kann (danke nochmals an die Firma Segor super Service) kann ich nun endlich loslegen und meine eigene Platine dafür Designen. Da ich noch einen ausrangierten 7 Zoll TFT Monitor, den ich im Elektroschrott gefunden habe, eignet sich ...

    Aktualisiert: 23.07.2011 um 10:29 von Kampi

    Kategorien
    Elektrotechnik
    Miniaturansichten angehängter Grafiken Angehängte Dateien
  2. Erste Schritte mit einem PSoC

    Vor einigen Tagen ist mein PSoC - Starterkit angekommen.
    Bei dem Kit handelt es sich um dieses hier:
    http://www.cypress.com/?rID=2541

    Programmierenwerd ich die PSoCs über das Programm "PSoC Designer". Dieses Programm verreint textbasierte und grafische Programmiermöglichkeiten.
    Das Programm ist gott sei dank sehr übersichtlich gehalten. Die Peripherie wird als Blöcke dargestellt die man an den richtigen Ort zieht und dort mit internen Leitungen verbindet. ...

    Aktualisiert: 23.07.2011 um 10:26 von Kampi

    Kategorien
    Mikrocontroller , PSoC
  3. OmC-Bot, die Board-Schaltung

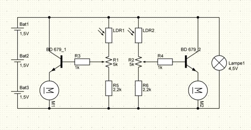
    Nachdem nun ein paar Tage verstrichen sind und ich wieder etwas schlauer in Sachen Elektronik geworden bin, habe ich nun eine Board-Schaltung erstellt. Ich gebe aber zu, das die Schaltung selbst - also die Idee dazu - nicht von mir stammt, sondern aus einem älteren Projekt aus dem Forum basiert. Ich war mal so frei und habe mir als Studienprojekt ausgeliehen. Jedoch hoffe ich, das ich alles soweit richtig verstanden und entsprechend zusammengesetzt habe. Wie gesagt, besteht die Schaltung gänzlich ...

    Aktualisiert: 22.07.2011 um 18:51 von zykez

    Kategorien
    C0r3 , OmC-Bot , dr0ids
    Miniaturansichten angehängter Grafiken Miniaturansichten angehängter Grafiken Klicke auf die Grafik für eine größere Ansicht

Name:	Vorlage_Schaltung.jpg
Hits:	759
Größe:	56,9 KB
ID:	19390   Klicke auf die Grafik für eine größere Ansicht

Name:	Board-Schaltung.jpg
Hits:	752
Größe:	58,0 KB
ID:	19391  
  4. Unbot 3

    Erste Bilder sind online unter http://themiicchhii.com --> "My Robot"
    auch ein kleines Video vom (fast) ersten Test ist dabei!

    derzeit wird er manuell mit tastern gesteuert,
    da ich noch keine Sensoren habe, die ihm eigenes navigieren ermöglichen,
    und auch das hintere Stützrad fehlt derzeit noch, aber etwas fahren kann er trotzdem schon.

    Die Räder sind einfach aus Karton ausgeschnitten und mit einer klemme an der Welle befestigt bis ich etwas ...

    Aktualisiert: 20.07.2011 um 22:19 von miicchhii

    Kategorien
    Unbot
  5. Amega8 startet nicht

    Hallo Ihr Fachleute!

    Ich bin neu in der µControler Welt.

    Mein Problem:

    Atmega8
    Bascom Software

    Geladen: Bootlader, und Testprogrämmchen (LED blinkt)

    Programmer: mySmartUSB MK3 (simuliert SK500)

    - Bootlader wurde geladen
    - Programm wurde geladen (Chip mit Verify geprüft)

    Reset mit 10K Widerstand an VCC, Kondensator 20pf von Reset an GND

    Fusebit:

    Fusebit ...
    Stichworte: atmega, mysmartusb mk3 Stichworte bearbeiten
    Kategorien
    Kategorielos
Seite 73 von 83 ErsteErste ... 23637172737475 ... LetzteLetzte

Labornetzteil AliExpress