- LiFePO4 Speicher Test         
Ergebnis 1 bis 10 von 10

Thema: operationsverstärker / komparator, spannungsteiler berechnen

  1. #1
    Benutzer Stammmitglied
    Registriert seit
    21.11.2006
    Beiträge
    38

    operationsverstärker / komparator, spannungsteiler berechnen

    Anzeige

    LiFePo4 Akku selber bauen - Video
    hallo !

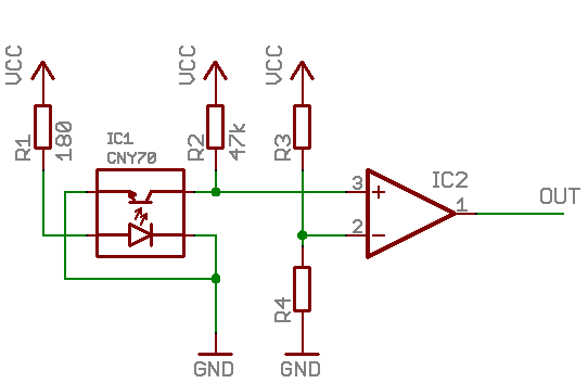
    ich möchte einen operationsverstärker als komparator an den CNY70 reflexkoppler anschliessen um einen analogen eingang des mikrocontrollers mit einem digitalen zu ersetzen.

    ich mötchte folgende schaltung benützen :
    http://www.kreatives-chaos.com/images/119.png

    als op amp habe ich einen tlc272cp :
    http://www.alldatasheet.com/datashee.../TLC272CP.html

    die hauptspannung sind 5V (kommen von einem spannungsregler vom typ l7805CV).

    aus dem CNY70 bekomme ich spannungen zwischen 0,1 volt und 3,8 volt.
    ich möchte die opamp bei der hälfte, sprich 1,85 v schalten .

    kann mir jemand erkären wie ich r3 und r4 (den spannungsteiler) errechnen muss, um die 1,85 volt als schwellenwert setzen zu können ?

    ich habe versucht mich bei wikipedia schlau zu machen , und verschiedene spannungsteiler rechner online ausprobiert aber verstehe es leider nicht . ich hoffe ihr könnt mir weiterhelfen .

    vielen dank ,
    boarter

  2. #2
    Erfahrener Benutzer Robotik Visionär
    Registriert seit
    26.11.2005
    Ort
    bei Uelzen (Niedersachsen)
    Beiträge
    7.942
    Der Spannungsteiler R3/R4 muß direkt die 1,85V geben. Also soll 5 V * R4 / (R3+R4) gerade 1,85 V geben. Die absolute wert ist eher unwesenlich. Irgendas so 1 K bis 100 K sollen für R4 gehen, R3 dann halt nicht gnaz das doppelte.

    Einen einfachen Komperator so wie gezeigt wird man an den meisten µC nicht brauchen, denn fast alle haben Komperator Eingang, der sich praktisch so wie die gezeigte Schaltung verhält, meisten nur etwas schneller. Die Referenzspannung wird man dann an einen anderen Pin des µC anlegen, wenn man sie nicht per software einstennen kann.

  3. #3
    Benutzer Stammmitglied
    Registriert seit
    21.11.2006
    Beiträge
    38
    hallo Besserwessi !

    du meinst über den adc vom mikrocontroller ? ich hatte das ganze bereits ohne spannungsteilern an dem uC angeschlossen aber ich möchte vermeiden den analogen eingang zu benützen um rechenkapazität zu vermeiden . bzw. habe vor über einen pin wechsel interrupt den wechsel vom reflexkoppler zu zählen . daher der operationsverstärker davor .

    wenn ich r4 mit 10k habe und r3 mit 17k würde das passen oder ?
    verstehe nicht ganz wie man einen wert für den widerstand festlegt . ist das erfahrungssache wenn du sagst zwischen 1k und 100k oder wie legt man den ersten widerstandswert fest ?

    die andere sache die mich jedesmal verunsichert ist ob das jetzt ein normaler spannungsteiler den ich errechnen muss oder einen belasteter (durch den widerstand des operationsverstärker) ?

    danke .

  4. #4
    Erfahrener Benutzer Lebende Robotik Legende Avatar von PICture
    Registriert seit
    10.10.2005
    Ort
    Freyung bei Passau in Bayern
    Alter
    74
    Beiträge
    11.077
    Hallo!

    Ich würde zuerst den Eingangswiderstand (Ri) und den Schaltpegel des digitalen I/O Pins messen.

    Wenn der Schaltpegel niedriger als die Eingangspannung ist, reich ein Spannungsteiler (R1,R2) aus (siehe Code). Dabei sollte R2 mind. 10*Ri sein. Für höhere Frequnzen der Eingangsspannung muss Ci mit C1 kompensiert werden.

    Wenn die Eingangspannung aber niedriger als der Schaltpegel ist, muss sie vor dem Zuführen zum I/O Pin des µCs verstärkt werden.

    MfG
    Code:
         Eingangsspannung >-----+---+      .--------------.
                                |   |      |              |
                               .-.  |      |              |
                            R1 | | --- C1  |     µC       |
                               | | ---     |              |
                               '-'  |      |              |
                                |   |      |              |
                                +---+-----------+---+     |
                                |          |    |   |     |
                               .-.         |   .-.  |     |
                            R2 | |         | Ri| | --- Ci |
                               | |         |   | | ---    |
                               '-'         |   '-'  |     |
                                |          |    |   |     |
                               ===         |    |   |     |
                               GND         |   === ===    |
                                           |   GND GND    |
                                           |              |
                                           |              |
                                           '--------------'

  5. #5
    Erfahrener Benutzer Robotik Visionär
    Registriert seit
    26.11.2005
    Ort
    bei Uelzen (Niedersachsen)
    Beiträge
    7.942
    Zumindestens die meisten AVR Controller haben neben dem AD Wandler auch einen analogen Comperator dirn. Ist aber eine eher selten genutzer Teil. Bei vielen kann man auch intern eine Spannung von etwa 1,2 V als Referenzwert wählen. Geschickterweise kann man darüber auch gleich einen Interrupt auslösen.
    Außerdem haben auch die normalen digitalen IOs einen Schmidttrigger Eingang (mit Hysterese). Es sollte also auch so gehen das Signal vom Optokoppler direkt an den µC zu hängen.

    Die PIC COntroller haben auch einen Comperator drin, näheres weiss ich da aber nicht.

  6. #6
    Benutzer Stammmitglied Avatar von kaktus
    Registriert seit
    17.05.2004
    Beiträge
    34
    Eigentlich brauchst du den ganzen Aufwand nicht weil viele AVR einen Komparator eingebaut haben.

    Um Spannungsteiler einfach zu berechnen schau hier:
    http://www.sengpielaudio.com/Rechner...ungsteiler.htm

    Den Ri vom AVR kann man mit 100k Ohm annehmen.

    Mehr Info über CNY70
    http://www.strippenstrolch.de/1-2-12...ler-cny70.html

    Ich würde den Ausgang vom Koppler einfach auf den AD Eingang vom AVR geben. Dann erhälst du vom Wandler bei 10 Bit Auflösung Zahlenwerte zwischen 0 un 1023, je nach Untergrund. Also eine reine Software Lösung.

  7. #7
    Benutzer Stammmitglied
    Registriert seit
    21.11.2006
    Beiträge
    38
    hallo .
    sorry für die späte antwort .
    ich benütze jetzt die wechsel interrupts der digitalen eingänge des avrs .
    die analogen eingänge will ich für andere dinge aufheben, daher die umwandlung von analog zu digital durch den operationsverstärker.
    den lösungsweg mit dem schaltpegel der eingänge , ohne operationsverstärker, wäre wohl am günstigsten gewesen , ist mir aber etwas zu aufwendig gewesen (mit meinem jetzigen wissensstand).
    danke für eure hilfe !

    ps: habe die schaltung von http://www.robotmaker.de/linie.html mir für einen rotationsmesser zurecht modifiziert .
    Miniaturansichten angehängter Grafiken Miniaturansichten angehängter Grafiken cny70.png  

  8. #8
    Erfahrener Benutzer Robotik Visionär
    Registriert seit
    26.11.2005
    Ort
    bei Uelzen (Niedersachsen)
    Beiträge
    7.942
    Die digitalen Eingänge zu nutzen, ist alles andere als aufwendig. Es reicht dazu einfach den Widerstand der R5 in der Schaltung oben Entspricht passend zu wählen. Gerade als Anfänger kann man da vorläufig einen Poti anschleißen und dann den passenden Widerstand ausmessen. Alternativ kann man auch den Strom durch den optokopper fein anpassen.

    Bei der Schaltung oben sollte man noch einen Widerstand vom Ausgang an den nicht invertierenden Eingang vorsehen um etwas Hysterese zu haben. Gebraucht wird die Schaltung oben eigentlich nur wenn einem die Hysterese der normalen IO Eingänge zu groß ist, und man den analogen Komperator Eingang nicht mehr frei hat.

  9. #9
    Benutzer Stammmitglied
    Registriert seit
    21.11.2006
    Beiträge
    38
    hmm , klingt logisch . werde das wohl dann doch ohne dem operationsverstärker versuchen .

    der atmega168 chip hat folgende eigenschaften für die digitalen eingänge:

    ViL (Input Low Voltage): min:-0.5V , max:0.3V
    ViH (Input High Voltage): min:0.6V , max:Vcc+0.5V

    dateblatt: http://www.atmel.com/dyn/resources/p...ts/doc7607.pdf

    ich muss dann R2 für diesen bereich (0.3V-0.6V als schwellenwert) wählen , oder ? und da der bereich relativ klein ist und die schlatung batterie betrieben, gibt es bei diesem lösungsansatz dadurch probleme oder ist das genug spielraum ?

    zu meiner derzeitigen schaltung wundere ich mich gerade ob nicht pin 2 und 3 des operationsverstärkeres vertauscht werden müsste ? es funktioniert zwar so wie ist ist aber wenn du sagtest ich sollte einen widerstand für hysterese vorhersehen , finde ich nur informationen mit der referenzspannung und eingangsspannung vertauscht .

  10. #10
    Erfahrener Benutzer Robotik Visionär
    Registriert seit
    26.11.2005
    Ort
    bei Uelzen (Niedersachsen)
    Beiträge
    7.942
    So wie die OP Schaltung ist, kann man die Eingänge auch vertauschen, das gibt dann nur eine Invertierung oder nicht. Mit Hysterese ist es besser so wie gezeichnet, und die Hyserese zum festen Spannungsteiler.

    Eine Variable Betreibsspannung verschiebt den Arbeitspunkt schon, allerdings gilt das auch für die Schaltung mit dem Operationsverstärker.
    Die Angegebenen Schaltschwellen sind definitiv falsch:
    Die Schwellen liegen zwischen 0,3 und 0,7 mal der Versorgungsspannung, also für 5 V zwischen 1,5 V und 3,5 V. Der genaue Wert kann von Chip zu Chip etwas schwanken, typischen sind 2,5 V (Vcc/2) mit einer Hysterese vom typisch 350 mV. Datenblatt Figure 28-28 bis 28-32. Zum Anpassen würde ich eher den Widerstand in Reihe zum Empfänger (ähnlich R5) nehmen.

Berechtigungen

  • Neue Themen erstellen: Nein
  • Themen beantworten: Nein
  • Anhänge hochladen: Nein
  • Beiträge bearbeiten: Nein
  •  

LiFePO4 Speicher Test